English
|
简体中文
免费服务热线:0086-(0)-573-84251778
首 页
关于兴涛
产品介绍
研发能力
品保能力
制造能力
人力资源
联系我们
HOME
ABOUT
PRODUCTS
R&D
QUALITY
MANUFACTURE
HR
CONTACT US
产品列表
>
产品介绍
>
SD508
发布时间:2017-05-11 15:13
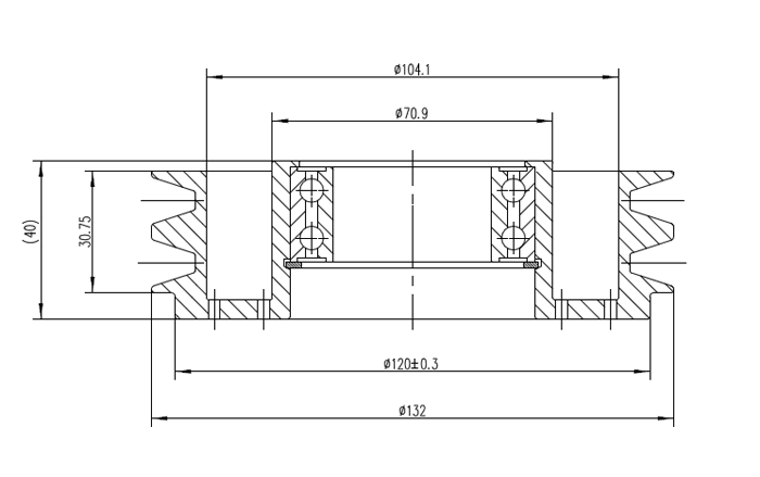
压缩机型号
Compressor No
SD508
常用车型
Usual vehicle style
有效直径
Pullpy Outer Diameter
Φ132
额定电压
Rated Voltage
DC 24V
皮带槽数
Belt Groove Type Number
双A型
轴承规格
Bearing Size
40*62*24
产品品号
Product No
P15D2006
上一篇:
7H15
下一篇:
7H15