English
|
简体中文
免费服务热线:0086-(0)-573-84251778
首 页
关于兴涛
产品介绍
研发能力
品保能力
制造能力
人力资源
联系我们
HOME
ABOUT
PRODUCTS
R&D
QUALITY
MANUFACTURE
HR
CONTACT US
产品列表
>
产品介绍
>
宝马100
发布时间:2017-05-11 15:13
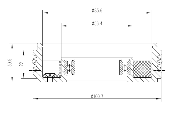
压缩机型号
Compressor No
宝马100
常用车型
Usual vehicle style
有效直径
Pullpy Outer Diameter
Φ111
额定电压
Rated Voltage
皮带槽数
Belt Groove Type Number
6PK
轴承规格
Bearing Size
35*52*12
产品品号
Product No
P0041301
上一篇:
SS96
下一篇:
C6 2.0